在电子设计领域,没有一个元件是微不足道的。即使在最普通的开关电源中,那些看似不起眼的光电耦合器,也承担着确保安全、减少干扰的重任。今天聊聊一款经典的光耦器件——PC817。无论你是电源工程师、嵌入式开发者还是电子爱好者,了解这个元件的详细参数都至关重要。精确的参数理解,意味着可靠的产品设计。下面,就让我们全面解析PC817的技术特性。
核心参数详解:从宏观到微观
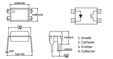
PC817是日本夏普公司研发的光电耦合器,采用标准的DIP-4封装,内部由一只红外发光二极管和一只光敏三极管组成,实现输入与输出端间的电气隔离。
极限参数决定了元件的安全工作边界,超越这些值可能导致元件永久损坏。PC817的极限参数包括:
输入侧(LED端):最大正向电流50mA(连续),峰值正向电流可达1A(脉冲宽度≤100ms),反向电压最大6V
输出侧(晶体管端):集电极-发射极电压最大35V,集电极电流最大50mA
功耗限制:输入侧最大功耗70mW,输出侧最大功耗150mW,总功耗不超过200mW
温度范围:工作温度-30℃至+100℃,存储温度可低至-55℃
传输特性是光耦的核心性能指标,其中最重要的是电流传输比(CTR)。这一参数定义了输出端集电极电流与输入端二极管电流之比,PC817根据不同后缀分为多个等级:
PC817A:CTR范围为80%-160%
PC817B:CTR范围为130%-260%
PC817C:CTR范围为200%-400%
PC817D:CTR范围为300%-600%
PC817的响应速度也值得关注,开启时间和关断时间均不超过18μs,截止频率约80kHz,这意味着它能够传输频率相当高的信号。
隔离特性是光耦存在的根本意义。PC817的输入-输出间隔离电压高达5000V RMS(交流1分钟),符合UL、cUL、IEC/EN/DIN EN 60747-5-5等安全标准。

工程设计要点:从参数到实践
了解参数只是第一步,将参数转化为实际设计才是工程师的真正任务。正确的电路设计,建立在对参数含义的深刻理解上。
CTR选择策略:选型时根据负载电流需求匹配不同后缀的型号。例如,驱动继电器通常需要CTR≥100%,推荐使用PC817B或PC817C。高CTR型号虽然增益更大,但也可能影响系统的响应速度和稳定性。
限流电阻计算:输入侧限流电阻的计算公式为 𝑅𝑖𝑛=(𝑉𝑖𝑛−𝑉𝐹)/𝐼𝐹。以5V供电、期望5mA二极管电流为例:𝑅𝑖𝑛=(5𝑉−1.2𝑉)/5𝑚𝐴=760𝛺(实际选用最接近的标准阻值)。
稳定性设计:必须注意CTR会随温度升高而下降,且随时间推移会逐渐衰减。经验法则是预留至少50%的余量,以确保产品在整个生命周期内的可靠性。

典型应用场景:从理论到实践
PC817凭借其均衡的性能和成本优势,在众多领域找到了用武之地。
最常见的应用是开关电源的反馈控制。PC817与TL431基准电压源的配合,构成了开关电源稳压反馈的经典方案,几乎存在于所有手机充电器和电脑电源中。
在工业控制领域,PC817用于PLC(可编程逻辑控制器)的输入/输出隔离,保护敏感的微处理器接口不受现场干扰和高压冲击。
PC817还可用于单片机I/O隔离保护、串口通信隔离、电池电压监测隔离等场景,在电脑终端机、测量仪器、家用电器等多种设备中都有广泛应用。

优质元器件供应商选择
在电子元器件领域,选择可靠的供应商与选择正确的元件参数同样重要。东莞市洲创实业有限公司作为深耕LED光电元器件和半导体器件领域15年的综合型服务公司,是国家高新技术企业,拥有全自动生产设备和精密检测仪器。
洲创实业与台湾亿光、旺泓、光宝、日本日亚等国际品牌深度合作,为开关电源领域提供高可靠性元器件支持,包括全系列光耦解决方案及专业FAE技术支持。对于成本敏感的应用,国产817光耦可以作为替代选择。
PC817看似简单,却蕴含着精密的光电转换原理和严谨的电气设计原则。对每个参数的深刻理解,是确保产品稳定可靠运行的基石。在电子设计的世界里,从来没有“微不足道”的元件——只有未被充分理解的参数和应用。
希望本文能为你在电路设计中更好地应用PC817提供帮助。你有没有在项目中使用过PC817?有什么独特的经验教训愿意分享?欢迎在评论区留言讨论!