做硬件十几年,我悟出一个道理:软件决定产品能飞多高,但硬件决定产品能活多久 。
很多工程师天天盯着代码 Debug,却忽略了电源线上那短短几毫秒的波动。今天给兄弟们拆解一个经典的“自锁型电压监控电路”。这玩意儿成本不到 5 毛钱,但它的逻辑比几百块的芯片还要“狠” 。
这就是硬件层面的“死刑立即执行”,绝不给 Bug 留活路。

图片来源:电源一点通
第一步:设下“绊马索”
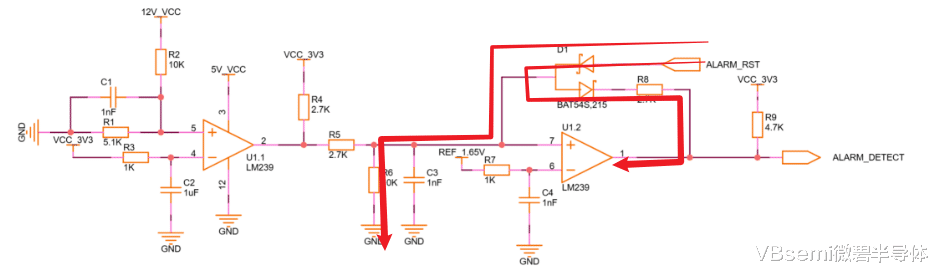
这个电路的核心是 LM239 四路比较器。原理非常暴力:看到那个 12V 分压电路了吗?算一下参数:3.3 * (10+5.1) / 5.1 ≈ 9.77V 。
意思就是:只要 12V 母线敢跌破 9.77V,哪怕只是一瞬间,比较器 U1.1 就立刻翻脸,输出低电平 。这是第一张倒下的多米诺骨牌。

图片来源:电源一点通
第二步:上了“手铐”就别想跑
这是整个电路最骚的操作,也是新手最容易晕的地方。普通的欠压保护,电压恢复了,报警就停了。但这在工业级场景是绝对不行的!故障发生过,必须把“嫌疑人”扣住 。
看 U1.2 和那个双二极管 D1:一旦侦测端触发低电平,U1.2 的输出端瞬间变低。高潮来了:此时,输出端的低电平会顺着二极管 D1 “倒灌”回输入端,把自己死死钳位在 0.3V 左右 。
这就形成了硬件自锁。哪怕下一秒 12V 电源恢复正常了,这个比较器依然会“咬住”不放 。

第三步:来自 MCU 的“特赦令”
什么时候才能解除警报?只有等 MCU 处理完现场,主动发话。MCU 把 ALARM_RST 引脚拉高,电流强行灌入,把 U1.2 的输入端电位抬升到 3V 以上(破坏比较条件),这时候电路才会以此复位,重新开始监控 。

图片来源:电源一点通
顶级预警:少这颗电阻,MCU 直接火葬场
如果你要复刻这个电路,千万注意!R8 这颗电阻,是你的保命符 。
很多新手画图为了省事,觉得反馈嘛,直接连过去不行吗?大错特错!
试想一下:当电路正处于“自锁”状态(输出端内部对地导通),此时你 MCU 突然给一个高电平复位。如果没有 R8 限流,这就相当于电源直接对地短路!巨大的电流会瞬间击穿比较器的输出管,甚至顺着烧毁 MCU 的 IO 口 。

来个总结:
用几颗电阻电容、一个比较器,搭出一个带 Set/Reset 触发器逻辑的硬件看门狗 。这就是经典模电的魅力。在安规和高可靠性领域,物理层面的逻辑永远不会撒谎 。
如果是你,为了省事你会选专用的电源监控芯片,还是会用这种极简的“分立器件”方案来秀操作?
评论区聊聊,我看有多少识货的“老法师”!
本文参考@电源一点通,仅作设计分享!
#硬件设计 #电子工程师 #电路分析 #嵌入式开发 #PCB设计