DC娱乐网
VBsemi微碧半导体的文章
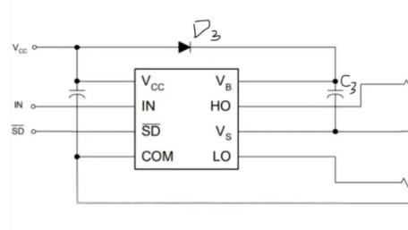
半桥电源里,悬在半空的“上管”到底是怎么被点亮的?
2026-03-06 17:30
VBsemi微碧半导体
半桥电源里,悬在半空的“上管”到底是怎么被点亮的?
为什么开关电源管子总炸机?发热严重?你真的搞懂软开关(ZVS/ZCS)了吗?
2026-03-05 17:50
VBsemi微碧半导体
为什么开关电源管子总炸机?发热严重?你真的搞懂软开关(ZVS/ZCS)了吗?
画了这么多年板子,MOS管、TVS和电阻在LED调光里到底怎么配合?
2026-01-24 18:00
VBsemi微碧半导体
画了这么多年板子,MOS管、TVS和电阻在LED调光里到底怎么配合?
为什么代码写得再完美,你的设备还是会莫名其妙死机?
2026-01-23 18:35
VBsemi微碧半导体
为什么代码写得再完美,你的设备还是会莫名其妙死机?
为什么连芯片专家都说:模拟电路设计是一门“玄学”?
2026-01-14 18:10
VBsemi微碧半导体
为什么连芯片专家都说:模拟电路设计是一门“玄学”?
革新AI能效:VBsemi VBGED1401 SGT MOSFET —— 重新定义服务器电源设计的...
2026-01-10 19:10
VBsemi微碧半导体
革新AI能效:VBsemi VBGED1401 SGT MOSFET —— 重新定义服务器电源设计的性能标杆
第一页
作者信息
VBsemi微碧半导体
致力服务于中高端市场电子产品的终端制造商
分类: 科技
热门分类
推荐
热榜
军事
NBA
体育
社会
明星八卦
娱乐
财经
科技
汽车
历史
国际
游戏
动漫
公益
搞笑
商业
互联网
数码
国际足球
房产
家居
时尚
科学探索
职场
育儿
股票
教育
影视
情感
热点
中国军情
武器
中国南海
中国足球
亚洲杯
科比
综合体育
CBA
投资
楼市
大咖秀
外汇
创业
风口
SUV
豪车
概念车
优惠
新能源
美国
欧洲
朝日韩
俄罗斯
孕期
街拍
恋爱攻略
婚姻
正能量