做电源设计的肯定都经历过“炸管”的毒打。硬开关带来的巨大开关损耗和发热,简直是工程师的噩梦。今天带你拔高一个层次,扒一扒高端电源都在用的“软开关”技术:零压差导通,零电流截止,这是场效应开关管常用的软开关技术 。
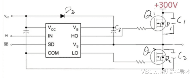
那么它的具体工作过程是怎样实现的 ?其实,秘密就藏在平时被我们嫌弃的寄生参数里!它的实现是利用它的体二极管和输出电容(漏源极结电容)来实现的 。今天我们就以半桥上下管为例分析 。

深度硬核推演:0压差导通(ZVS)的“凌波微步” 新手往往卡在时序上,注意:开机时理论上是下管先导通,但在实际电路分析时,往往从上管开始 。
第一步:上管导通态。假设上管Q1先导通,此时Q2处在截止状态 。C3放电状态 。此时C1上无电压,C2上充满电+300V,D1、D2均截止 。
第二步:死区时间1的魔法。Q1开始截止(芯片输出低电平PWM),Q2仍然截止(芯片仍然保持低电平PWM驱动信号) 。此时,C2开始放电,C1开始充电 。
第三步:Q2的ZVS高光时刻。当C2放电至D2两端压差0.7V时结束瞬间,D2瞬间导通,将Q2漏源极压差降为0,此时芯片立即输出高电平PWM驱动信号使Q2迅速导通,此时D2又转为截止,从而实现0压差导通软开关技术 。此时C3开始充电 。同时当C2放电结束,C1、C3充电也结束 。
第四步:死区时间2的完美镜像。死区时间2,Q2在芯片输出的低电平PWM驱动下开始截止,Q1仍然截止(此时PWM驱动信号仍然为低电平) 。此时,C1开始放电,C2开始充电,当C1放电结束时,D1瞬间导通,同时芯片立即输出高电平PWM信号,Q1迅速导通,D1又转为截止,实现了Q1的0电压导通技术 。此时C3放电 。

那零电流截止(ZCS)又是怎么回事? 以上就是0压差导通原理,而0电流截止,就是利用芯片监测到流经开关管电流为0时刻,输出低电平PWM信号,使开关管立即截止 。
结尾总结:化敌为友的艺术 正如后来者驿站老周所分享的精髓 ,顶级的硬件设计从来不是去对抗物理规律,而是“化敌为友”。软开关技术正是巧妙地利用了原本让人头疼的寄生电容和体二极管,在死区时间里跳了一支优雅的华尔兹。掌握了这个底层逻辑,你的电源不仅温度低,EMI还能做得非常漂亮!