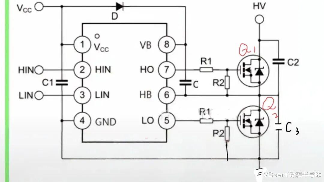
搞硬件设计的肯定都经历过被“半桥拓扑”支配的恐惧。下管接地,驱动起来闭着眼睛都能搞定;但是那个悬在半空中的高压侧上管(通常是MOS管),它的源极电位可是满天飞的!难道我们要给它单独配一个昂贵的隔离电源吗?
上管为什么难驱动?在半桥电路里,上管的源极并没有老老实实接在固定的地电位上,而是接在了桥臂的中点(HB) 。当电路工作时,这个中点的电压会在0V和母线高压(+VCC)之间疯狂、高速地来回切换 。
这意味着什么?意味着你根本无法直接用普通的、以地为参考的驱动电源去点亮它 !如果强行加驱动,板子分分钟炸给你看。为了解决这个“浮动参考点”的千古难题,工程师前辈们发明了“自举电路” 。

自举电路的核心元件非常精简,就两个:一个自举电容(C)和一个自举二极管(D) 。它们配合起来,生生从低侧驱动电源那里“借”来了电,给高侧驱动凭空捏造了一个动态的“浮动电源(Vbs)” 。
这个过程跟变魔术一样,主要分为两个阶段,并且和下侧开关管的动作紧密耦合 :
第一阶段:偷偷“充电”补血(当下管导通时)当控制信号让下管导通时,桥臂中点的电压被瞬间拉低,几乎贴到了地电位 。这时候好戏开场了:自举二极管的正极连着低侧电源Vcc,负极连着被拉低的中点,正极电位高于负极,二极管瞬间正向导通 ! 低侧电源Vcc抓紧时间,顺着“Vcc → 自举二极管D → 自举电容Cbs → 下管 → 地”这条回路,疯狂给自举电容充电 。眨眼间,电容两端的电压就被充到了接近Vcc的水平(需扣除二极管的一点点压降)。
第二阶段:“起飞”放电干活(当上管导通时) 关键时刻来了!系统需要上管导通,于是先把下管关断,此时桥臂中点(上管源极)的电压跟着母线高压“蹭”地一下飙升到了VCC 。 物理学告诉我们,电容两端的电压是不能突变的 !既然电容里面已经充满了电荷,当它的底层(源极)被强行抬升到高压时,它的顶层(连着IC的Vb引脚)也被硬生生同步抬高,直接“浮起”到了(母线高压VCC + 驱动电源Vcc)附近的高位 。 这时候,自举二极管承受了巨大的反向电压,果断截止,完美隔离了高压 。而那个充满电的自举电容,摇身一变成了高压侧的“临时电源(Vbs)”,为驱动IC内部电路和上管栅极提供所需能量,保证上管被稳稳地打开 。
避坑指南:选型大有学问千万别以为随便抓个电容二极管焊上去就能跑,里面全是坑!
自举电容不能瞎选:容值必须经过精心计算。它得足够大,能在上管最长导通时间内维持电压不低于驱动IC的最低工作电压,以保证驱动稳定 。但它又绝对不能过大,以免在最短的下管导通时间内无法完成充分充电 。核心原则就是:电路需保证在每个开关周期内,电容释放的电荷能得到及时补充,维持电荷平衡 !
二极管必须够“快”:普通整流管在这里绝对活不过一秒。必须使用快速恢复或超快恢复二极管 。一是它要能承受高压,二是为了减小反向恢复损耗和电荷损失,防止好不容易充进电容的电荷又倒灌流失。

大道至简!自举电容仅仅用了最基础的元器件,通过巧妙的“低端充电、高端浮起放电”的循环,就以简洁、低成本的方式,动态地为半桥的高压侧开关管创造了隔离的驱动电源 。这是半桥和类似浮地驱动架构中不可或缺的经典设计 。
看完这篇,你还觉得半桥电源神秘吗?如果你觉得硬核,记得点赞收藏。你想让我下期拆解一下自举电容的具体计算公式和实战选型参数吗? 欢迎在评论区告诉我!